What Type Of Drawing Is A Ladder Diagram
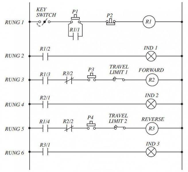
What Type Of Drawing Is A Ladder Diagram - Web what method is used to determine the initial state of each output in the ladder diagram? Electronic symbols are widely used when we draw a circuit diagram. Think of ladder logic symbols as the essential pieces of a puzzle in ladder diagrams. It looks just like a ladder, hence the name “ladder diagram”. Web what is a ladder diagram? Web  the ladder diagram consists of two vertical lines representing the power rails. Each horizontal line in a ladder diagram is identified as a ? Web  the drawing is called a ladder drawing because it resembles a ladder in the way it is constructed and presented on the paper. , and output devices are placed on the ? In drawing a ladder diagram, certain conventions are adopted: Web ladder diagrams show physical placements between the various components in a motor control drawing. Two vertical control rails and horizontal logic rungs make up the ladder diagrams to form what appears like a ladder. Click the card to flip 👆. Web the ladder diagram consists of two vertical lines representing the power rails. Web  the drawing is called a. It looks just like a ladder, hence the name “ladder diagram”. Web a ladder diagram is a type of schematic diagram used in industrial automation, describing circuits for logic control. Web what method is used to determine the initial state of each output in the ladder diagram? Click the card to flip 👆. A ladder diagram is used to point. Web  ladder diagrams are specialized schematics commonly used to document industrial control logic systems. Circuits are connected as horizontal lines, i.e., the rungs of the ladder, between these two verticals. They are called “ladder” diagrams because they are constructed in a way that resembles a ladder with two vertical rails and rungs between. It looks just like a ladder, hence. Ladder diagrams have horizontal lines of control logic called rungs and vertical lines at the start and end of each rung called rails. In drawing a ladder diagram, certain conventions are adopted: Web ladder diagrams are specialized schematics commonly used to document industrial control logic systems. Web a ladder diagram is a type of schematic diagram used in industrial automation,. Web ladder diagram (ld) programming contacts and coils. Web a ladder diagram comprises ‘rails’ that are two parallel lines drawn vertically and represent power supply, and ‘rungs’ that are several lines drawn horizontally with various symbols to connect the ‘rails’ to form an illustration of a control circuit. In drawing a ladder diagram, certain conventions are adopted: Web  ladder diagrams. Plcs are used in industrial automation applications, such as controlling process equipment, robotics, and other automated machinery. They are called “ladder” diagrams because they are constructed in a way that resembles a ladder with two vertical rails and rungs between. In a ladder diagram, input devices are placed on the ? Web  the ladder diagram consists of two vertical lines. How to draw a ladder diagram? In a ladder diagram, input devices are placed on the ? The two vertical lines (wires) that serve as a boundary for the control system and deliver the. Ladder diagrams have horizontal lines of control logic called rungs and vertical lines at the start and end of each rung called rails. Web ladder diagrams. The rungs of the ladder, between these two verticals. Plcs are used in industrial automation applications, such as controlling process equipment, robotics, and other automated machinery. They are called “ladder” diagrams because they are constructed in a way that resembles a ladder with two vertical rails and rungs between. Web  a ladder diagram is a type of schematic diagram that. Web ladder diagrams show physical placements between the various components in a motor control drawing. Electronic symbols are widely used when we draw a circuit diagram. A ladder diagram, shown in figure 3, is a diagram that explains the logic of the electrical circuit or system using standard nema or iec symbols. They are called “ladder” diagrams because they are. Click the card to flip 👆. Electronic symbols are widely used when we draw a circuit diagram. Web ladder diagrams show physical placements between the various components in a motor control drawing. Web  ladder diagrams are specialized schematics commonly used to document industrial control logic systems. Ladder logic is the most common plc programming language, with graphical elements designed to. Web the ladder diagram consists of two vertical lines representing the power rails. Web a ladder diagram is a type of schematic diagram used in industrial automation, describing circuits for logic control. Web  a ladder diagram is the symbolic representation of the control logic used for programming of a plc. Web study with quizlet and memorize flashcards containing terms like just like reading a book, the best way to read a ladder diagram is from left to right., output devices transfer electrical energy to what other kind of energy?, which of the following is a rule for drawing a ladder diagram? They are called “ladder” diagrams because they are constructed in a way that resembles a ladder with two vertical rails and rungs between. Web  the drawing is called a ladder drawing because it resembles a ladder in the way it is constructed and presented on the paper. Web ladder diagram symbols are the building blocks of ladder diagrams and they are also called ladder logic symbols. Web ladder diagrams show physical placements between the various components in a motor control drawing. They are called “ladder” diagrams because they resemble a ladder, with two vertical rails (supply power) and as many “rungs” (horizontal lines) as there are control circuits to represent. In drawing a ladder diagram, certain. Click the card to flip 👆. What is ladder logic & ladder diagram? How to draw a ladder diagram? Web  ladder diagrams are specialized schematics commonly used to document industrial control logic systems. Web  the ladder diagram consists of two vertical lines representing the power rails. These diagrams documented how connections between devices were made on relay panels;![[DIAGRAM] Drawing Ladder Diagram](https://www.homestratosphere.com/wp-content/uploads/2018/02/03_Step-Up-Ladder.jpg)
[DIAGRAM] Drawing Ladder Diagram
			  ![[DIAGRAM] Drawing Ladder Diagram](https://www.homestratosphere.com/wp-content/uploads/2018/02/03_Extension-Ladder.jpg)
[DIAGRAM] Drawing Ladder Diagram
			  
Ladders 101 American Ladder Institute
			  
Parts of a Ladder (2 Diagrams For Step Ladder & Extension Ladder
			  
What Is A Ladder Diagram
			  
Parts Of A Ladder With Detailed Diagram Picture ToolsGearLab
			  
Ladder Diagram Examples
			  [DIAGRAM] Drawing Ladder Diagram
			  
A Simple Ladder Diagram with NO and NC Contacts
			  
Parts Of A Ladder With Detailed Diagram Picture ToolsGearLab
			  Circuits Are Connected As Horizontal Lines, I.e., The Rungs Of The Ladder, Between These Two Verticals.
        Web What Type Of Drawing Is A Ladder Diagram?
        Circuits Are Connected As Horizontal Lines, I.e.
        Electronic Symbols Are Widely Used When We Draw A Circuit Diagram.
        Related Post:
                    
		
		            
		
		            
		
		            
		
		            
		
		            
		
		            
		
		            
		
		            
		
		            
		
					
